
INCH-POUND
MIL-DTL-23971/2D
14 January 2014
SUPERSEDING
MIL-DTL-23971/2C
20 November 2008
DETAIL SPECIFICATION SHEET
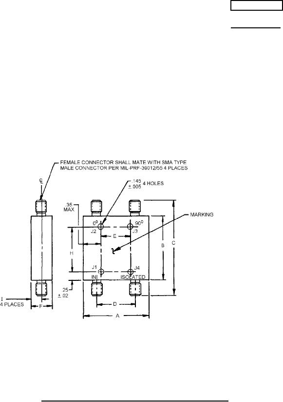
POWER DIVIDERS, 4 PORT QUADRATURE,
SMA CONNECTORS
This specification is approved for use by all Departments
and Agencies of the Department of Defense.
The requirements for acquiring the power dividers described herein
shall consist of this specification sheet and MIL-DTL-23971.
Inches
mm
.005
.13
.02
.51
.145
3.68
.25
6.35
.35
8.89
NOTES:
1. Dimensions are in inches.
2. Metric equivalents are given for general information only.
FIGURE 1. Dimensions and configuration, dash numbers 01, 02, 03, and 04.
AMSC N/A
FSC 5985