
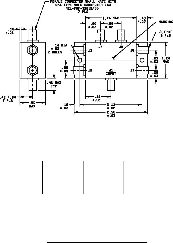
MIL-DTL-23971/16A
Inches
mm
Inches
mm
Inches
mm
Inches
mm
.01
0.3
.14
3.6
.50
12.7
1.23
31.2
.02
0.5
.19
4.8
.60
15.2
1.73
43.9
.03
0.8
.25
6.4
.69
17.5
2.12
53.8
.04
1.0
.40
10.2
.85
21.6
2.50
63.5
.05
1.3
.42
10.7
.87
22.1
NOTES:
1. Dimensions are in inches.
2. Metric equivalents are given for general information only.
FIGURE 7. Dimensions and configurations, 6-way, dash number 15.
7