
INCH-POUND
MIL-DTL-23971/16A
30 August 2006
SUPERSEDING
MIL-P-23971/16
22 February 1980
DETAIL SPECIFICATION SHEET
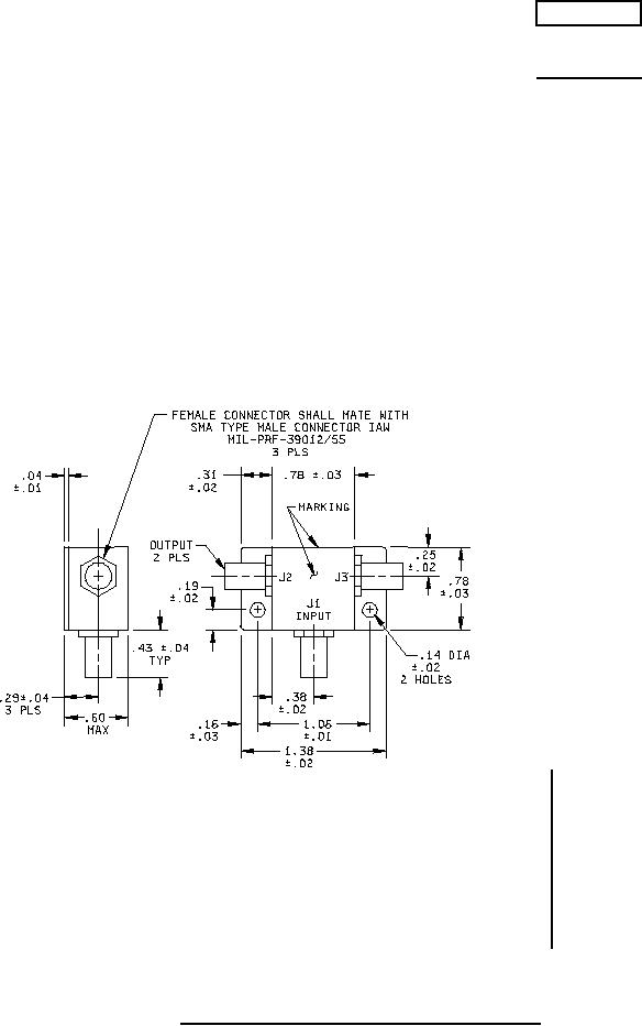
POWER DIVIDER/COMBINERS, N-WAY, 0 DEGREES,
SMA CONNECTORS
This specification is approved for use by all Depart-
ments and Agencies of the Department of Defense.
The requirements for acquiring the product described herein
shall consist of this specification sheet and MIL-DTL-23971.
Inches
mm
Inches
mm
.01
0.3
.29
7.4
.02
0.5
.31
7.9
.03
0.8
.38
9.7
.04
1.0
.43
10.9
.14
3.6
.50
12.7
.16
4.1
.78
19.8
.19
4.8
1.06
26.9
NOTES:
.25
6.4
1.38
35.1
1. Dimensions are in inches.
2. Metric equivalents are given for general information only.
FIGURE 1. Dimensions and configuration, 2-way, dash number 01.
AMSC N/A
FSC 5985