
MIL-DTL-23971/14B
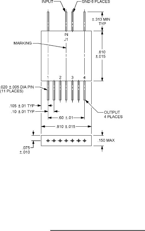
Inches
mm
.005
0.13
.010
0.25
.015
0.38
.020
0.51
.075
1.90
.10
2.5
.105
2.67
.150
3.81
.313
7.95
.60
15.2
.810
20.57
NOTES:
1. Dimensions are in inches.
2. Metric equivalents are given for general information only and are based upon 1.00 inch = 25.4 mm.
FIGURE 3. Dimensions and configuration, 4-way, dash number 05.
3
For Parts Inquires submit RFQ to Parts Hangar, Inc.
© Copyright 2015 Integrated Publishing, Inc.
A Service Disabled Veteran Owned Small Business