
MIL-DTL-23971/14B
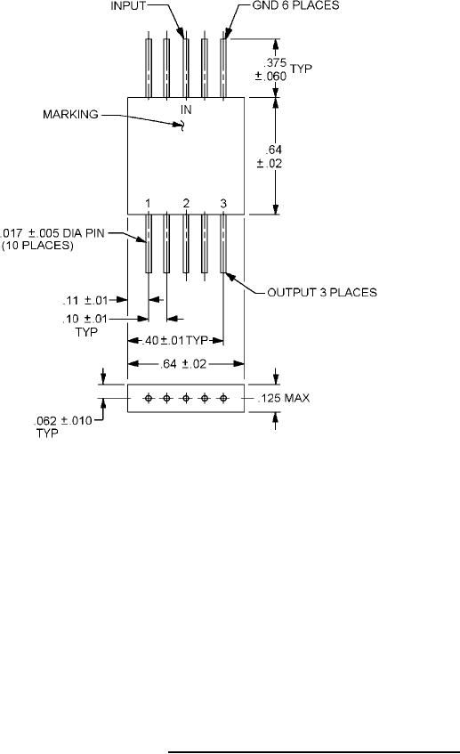
Inches
mm
.005
0.13
.010
0.25
.01
0.3
.017
0.43
.02
0.508
.020
0.51
.060
1.52
.062
1.57
.10
2.5
.11
2.8
.125
3.18
.375
9.52
.40
10.2
.640
16.26
NOTES:
1. Dimensions are in inches.
2. Metric equivalents are given for general information only and are based upon 1.00 inch = 25.4 mm.
FIGURE 2. Dimensions and configuration, 3-way, dash number 04.
2
For Parts Inquires submit RFQ to Parts Hangar, Inc.
© Copyright 2015 Integrated Publishing, Inc.
A Service Disabled Veteran Owned Small Business