
INCH-POUND
MIL-DTL-15370/6E
7 May 2008
SUPERSEDING
MIL-DTL-15370/6D
20 June 2003
DETAIL SPECIFICATION SHEET
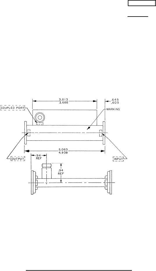
COUPLERS, DIRECTIONAL (WAVEGUIDE, COAXIAL OUTPUT)
This specification is approved for use by all Departments and
Agencies of the Department of Defense.
The requirements for acquiring the couplers described herein
shall consist of this specification sheet and MIL-DTL-15370.
Inches
mm
.605
15.37
.645
16.38
.94
23.9
3.688
93.68
3.813
96.85
4.938
120.35
5.063
128.60
NOTES:
1. Dimensions are in inches.
2. Metric equivalents are given for information only.
FIGURE 1. Dimensions and configuration for part number M15370/6-001.
AMSC N/A
FSC 5985
For Parts Inquires submit RFQ to Parts Hangar, Inc.
© Copyright 2015 Integrated Publishing, Inc.
A Service Disabled Veteran Owned Small Business