
MIL-DTL-15370/3F
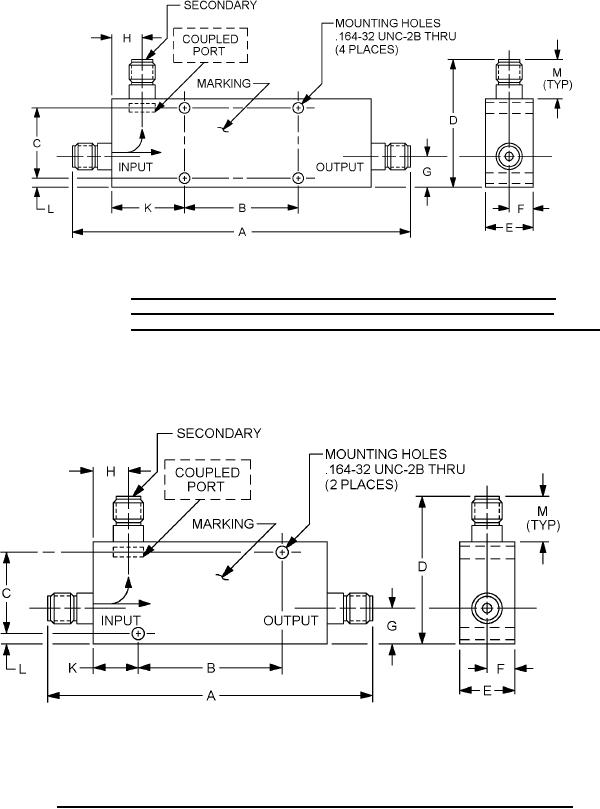
FIGURE 3. Dimensions and configuration for part numbers M15370/3-001 through
M15370/3-006, M15370/3-008, M15370/3-010 through M15370/3-014,
M15370/3-017 through M15370/3-033, M15370/3-041 through M15370/3-045.
FIGURE 4. Dimensions and configuration for part numbers M15370/3-034 through M15370/3-036.
2