
INCH-POUND
MIL-DTL-15370/11D
10 May 2004
SUPERSEDING
MIL-DTL-15370/11C
18 June 2003
DETAIL SPECIFICATION SHEET
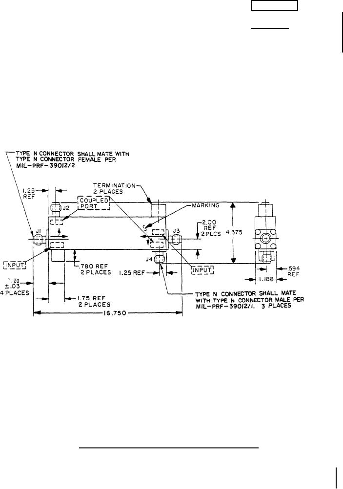
COUPLERS, DIRECTIONAL DUAL (COAXIAL, SERIES N CONNECTORS)
This specification is approved for use by all Depart-
ments and Agencies of the Department of Defense.
The requirements for acquiring the couplers described herein
shall consist of this specification sheet and MIL-DTL-15370.
Inches
mm
.03
0.8
15.09
.594
.780
19.81
NOTES:
30.18
1.188
1. Dimensions are in inches.
1.20
30.5
2. Metric equivalents are given for information only.
1.25
31.8
3. Unless otherwise specified, tolerance is ±.030 (0.76 mm).
1.75
44.5
2.00
50.8
111.12
4.375
425.45
16.750
FIGURE 1. Dimensions and configuration for part number M15370/11-001.
AMSC N/A
FSC 5985
For Parts Inquires submit RFQ to Parts Hangar, Inc.
© Copyright 2015 Integrated Publishing, Inc.
A Service Disabled Veteran Owned Small Business