INCH-POUND MS25057D
21 June 2013
SUPERSEDING MS25057C
9 November 2007
DETAIL SPECIFICATION SHEET TAKEUP, ANTENNA
This specification sheet is approved for use by all Departments and Agencies of the Department of Defense.
The requirements for acquiring the product described herein shall consist of this specification sheet and MIL-DTL-7965.
INACTIVE FOR NEW DESIGN AFTER 4 JUNE 1999.

MS PIN MS25057-1
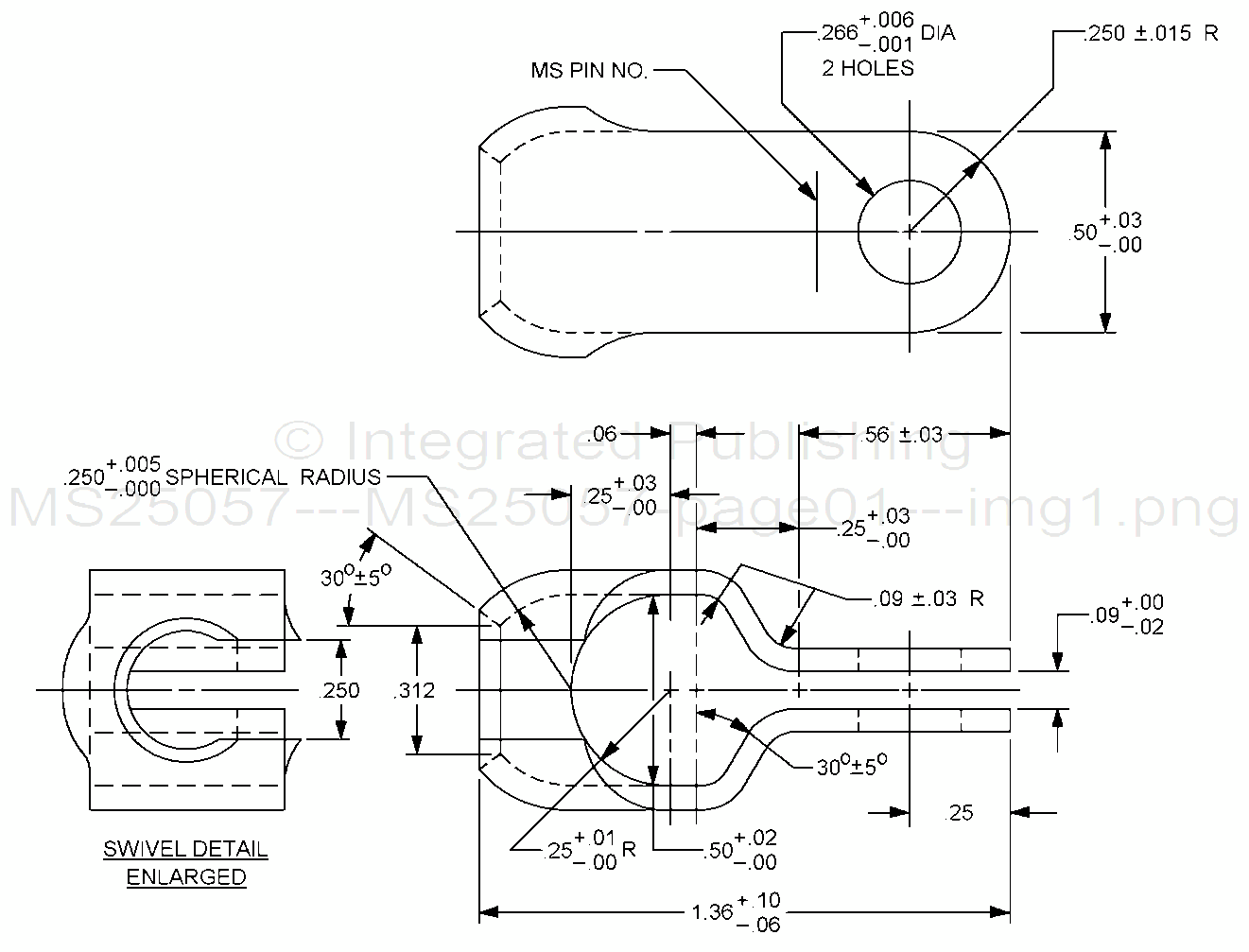
FIGURE 1. Dimensions and configuration.
AMSC N/A FSC 5985
For Parts Inquires submit RFQ to Parts Hangar, Inc.
© Copyright 2015 Integrated Publishing, Inc.
A Service Disabled Veteran Owned Small Business