MIL-W-3970/228
L
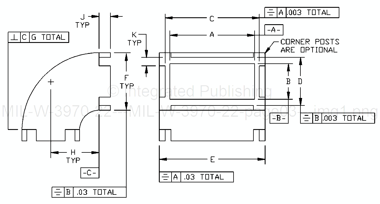
FIGURE 3. Dimensions for configuration 3, for dash numbers 014 and 015.

FIGURE 4. Dimensions for configuration 4, for dash numbers 004 and 005.
3
For Parts Inquires submit RFQ to Parts Hangar, Inc.
© Copyright 2015 Integrated Publishing, Inc.
A Service Disabled Veteran Owned Small Business