
INCH-POUND
MIL-F-3922/58D
30 October 2013
SUPERSEDING
MIL-F-3922/58C
04 May 1976
DETAIL SPECIFICATION SHEET
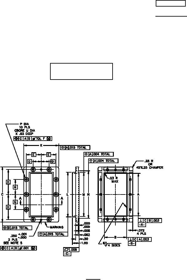
FLANGES, WAVEGUIDE (CONTACT)
(RECTANGULAR, 10 HOLE)
Inactive for new design after
18 September 1998.
This specification is approved for use by all Departments and
Agencies of the Department of Defense.
The requirements for acquiring the flanges described herein
shall consist of this specification sheet and MIL-DTL-3922.
FIGURE 1. Flange.
AMSC N/A
FSC 5985