
INCH-POUND
MIL-DTL-85/2F
7 February 2014
SUPERSEDING
MIL-DTL-85/2E
26 March 2009
DETAIL SPECIFICATION SHEET
WAVEGUIDES, RIGID, RECTANGULAR (HEAVY WALL)
This specification is approved for use by all Departments
and Agencies of the Department of Defense.
The requirements for acquiring the waveguides described herein
shall consist of this document and the latest issue of MIL-DTL-85.
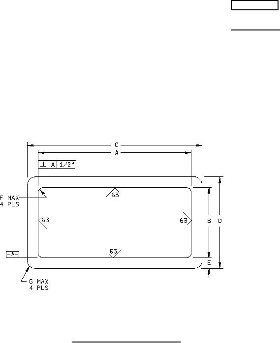
NOTE: Eccentricity shall be .010 inch (0.25 mm) maximum for Part or Identifying Numbers (PINs)
M85/2-001 through M85/2-005 and .004 inch (0.10 mm) maximum for PINs M85/2-006 through
M85/2-009. The eccentricity of the waveguide is defined as one-half the difference between opposite wall
thicknesses as measured at any cross-section perpendicular to the longitudinal axis.
FIGURE 1. Waveguide, rigid, rectangular, heavy wall.
REQUIREMENTS:
Design and construction: See figure 1.
Physical dimensions: See table I
Closure and coating:
All surfaces of the waveguide shall be coated with noncorrosive oil in accordance with MIL-PRF-3150. The
ends of the waveguide shall be sealed with plastic caps.
Length: Unless otherwise specified in the contract, 240 +12, -0 inches (6096 + 304.8, -0 mm).
AMSC N/A
FSC 5985