
INCH-POUND
MIL-DTL-5815/1B
28 January 2013
SUPERSEDING
MIL-DTL-5815/1A
18 June 2003
DETAIL SPECIFICATION SHEET
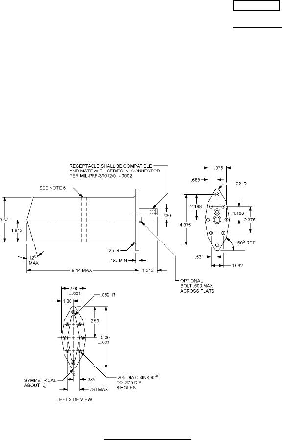
ANTENNA, BLADE, UHF, AT-256A/ARC (SERIES N CONNECTOR)
This specification is approved for use by all Departments
and Agencies of the Department of Defense.5815
The requirements for acquiring the antenna described herein
shall consist of this specification sheet and MIL-DTL-5815.
FIGURE 1. Dimensions and configuration.
AMSC N/A
FSC 5985
For Parts Inquires submit RFQ to Parts Hangar, Inc.
© Copyright 2015 Integrated Publishing, Inc.
A Service Disabled Veteran Owned Small Business