
INCH-POUND
MIL-DTL-3970/13E
3 December 2013
SUPERSEDING
MIL-DTL-3970/13D
3 February 2009
DETAIL SPECIFICATION SHEET
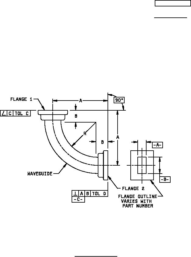
WAVEGUIDE ASSEMBLIES, RIGID, 90-DEGREE H-PLANE BEND
This specification is approved for use by all Departments
and Agencies of the Department of Defense.
The requirements for acquiring the waveguide assemblies described
herein shall consist of this specification sheet and MIL-DTL-3970.
FIGURE 1. Assembly configuration.
AMSC N/A
FSC 5985