
INCH-POUND
MIL-DTL-3928/16B
15 August 2001
SUPERSEDING
MIL-S-3928/16A
15 July 1988
DETAIL SPECIFICATION SHEET
SWITCHES, RADIO-FREQUENCY
TRANSMISSION LINE (COAXIAL) (ELECTRICALLY OPERATED)
CLASS 5, 1P3T
This specification is approved for use by all Depart-
ments and Agencies of the Department of Defense.
Requirements for acquiring the switch described herein
shall consist of this specification and MIL-DTL-3928.
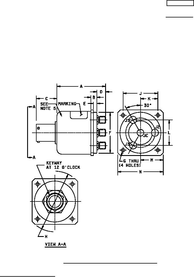
FIGURE 1. Switch configuration and schematic, PIN M3928/16-02.
AMSC N/A
1 of 4
FSC 5985
DISTRIBUTION STATEMENT A. Approved for public release; distribution is unlimited.