
MIL-DTL-3928/15G
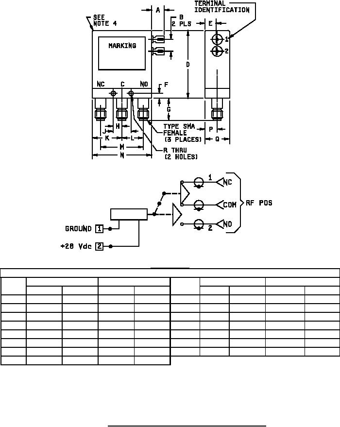
Shown in fail-safe position (position 1). Energize to connect COM to NO (position 2).
SCHEMATIC
Dimensions
Inches
Millimeters
Inches
Millimeters
Letter
Letter
Max
Min
Max
Min
Max
Min
Max
Min
A
.35
---
8.9
---
J
.450
.430
11.43
10.92
B
.28
.22
7.1
5.6
K
.680
.660
17.27
16.76
C
.53
.47
13.5
11.9
L
.450
.430
11.43
10.92
D
1.18
1.12
30.0
28.4
M
.890
.870
22.61
22.10
E
.23
.17
5.8
5.3
N
1.37
1.31
34.8
33.3
F
.103
.083
2.62
2.11
P
.28
.22
7.1
5.6
G
.50
---
12.7
---
Q
.57
---
14.5
---
H
.230
.210
5.84
5.33
NOTES:
1. Dimensions are in inches.
2. Metric equivalents are given for general information only (1.00 inch = 25.4 mm).
3. Unless otherwise specified, tolerances are ± .010 (± 0.25 mm) for three place decimals and
± .03 (± 0.8 mm) for two place decimals.
4. Round corners of case may be squared.
FIGURE 8. Switch configuration and schematic, PIN M3928/15-11.
17
For Parts Inquires submit RFQ to Parts Hangar, Inc.
© Copyright 2015 Integrated Publishing, Inc.
A Service Disabled Veteran Owned Small Business