
INCH-POUND
MIL-DTL-3922/68A
9 December 2004
SUPERSEDING
MIL-F-3922/68
5 July 1974
DETAIL SPECIFICATION SHEET
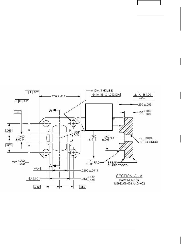
FLANGES, WAVEGUIDE COVER (BUTT MOUNT)
(SQUARE, 4 HOLE)
This specification is approved for use by all Depart-
ments and Agencies of the Department of Defense.
The requirements for acquiring the flanges described herein shall
consist of this document and the latest issue of MIL-DTL-3922.
FIGURE 1. Part numbers M3922/68-001, M3922/68-002, and M3922/68-003.
AMSC N/A
FSC 5985