
INCH-POUND
MIL-DTL-3922/57D
23 July 2013
SUPERSEDING
MIL-DTL-3922/57C
27 May 2008
DETAIL SPECIFICATION SHEET
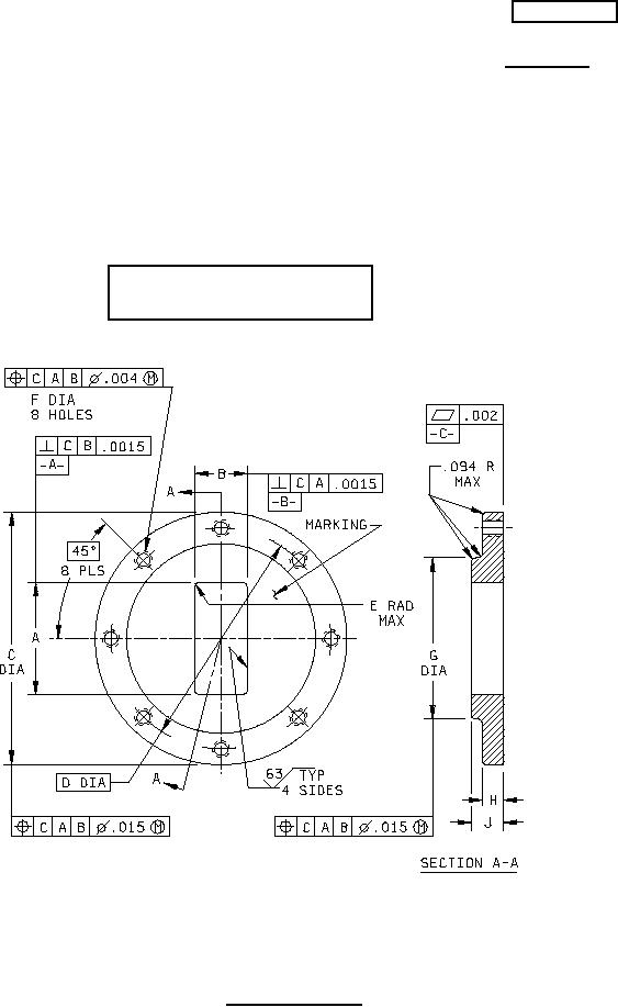
FLANGES, WAVEGUIDE (COVER)
(ROUND, 8 HOLE) (2 HOLES CENTERED HORIZONTALLY,
2 HOLES CENTERS VERTICALLY)
This specification is approved for use by all Departments and
Agencies of the Department of Defense.
INACTIVE FOR NEW DESIGN
AFTER 18 SEPTEMBER 1998
The requirements for acquiring the flanges described
herein shall consist of this document and MIL-DTL 3922.
NOTES:
1. Dimensions are in inches. Dimensions are in accordance with ASME-Y14.5M.
2. Metric equivalents (to the nearest 0.01 mm) are given for general information only and are based upon
1.00 inch = 25.4 mm.
3. Metric equivalents are in parentheses.
4. Roughness of mating surfaces shall not exceed 63 microinches in accordance with ASME-B46.1, except
that flaws shall be included in the roughness height measurement.
FIGURE 1. Flange configuration.
AMSC N/A
FSC 5985