
INCH-POUND
MIL-DTL-3922/56D
5 January 2010
SUPERSEDING
MIL-DTL-3922/56C
6 March 2000
DETAIL SPECIFICATION SHEET
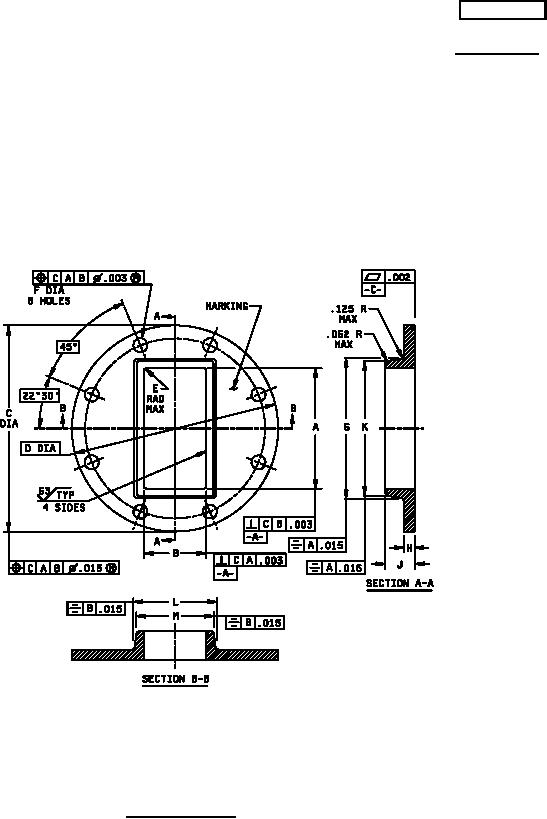
FLANGES, WAVEGUIDE (COVER)
(ROUND, 8 HOLE)
This specification is approved for use by all Depart-
ments and Agencies of the Department of Defense.
The requirements for acquiring the flanges described herein shall
consist of this document and the latest issue of MIL-DTL 3922.
NOTES:
Inches
mm
1. Dimensions are in inches.
.002
0.05
2. Metric equivalents (to the nearest 0.01 mm) are given for general information only and are based
.003
0.08
upon 1.00 inch = 25.4 mm.
.004
0.10
3. Metric equivalents are in parentheses.
.015
0.38
4. Roughness of mating surfaces shall not exceed 63 microinches in accordance with ASME B46.1,
.062
1.57
except that flaws shall be included in the roughness height measurement.
.125
3.18
.313
7.95
FIGURE 1. Flange configuration.
AMSC N/A
FSC 5985