
INCH-POUND
MIL-DTL-3922/55D
23 July 2013
SUPERSEDING
MIL-DTL-3922/55C
27 May 2008
DETAIL SPECIFICATION SHEET
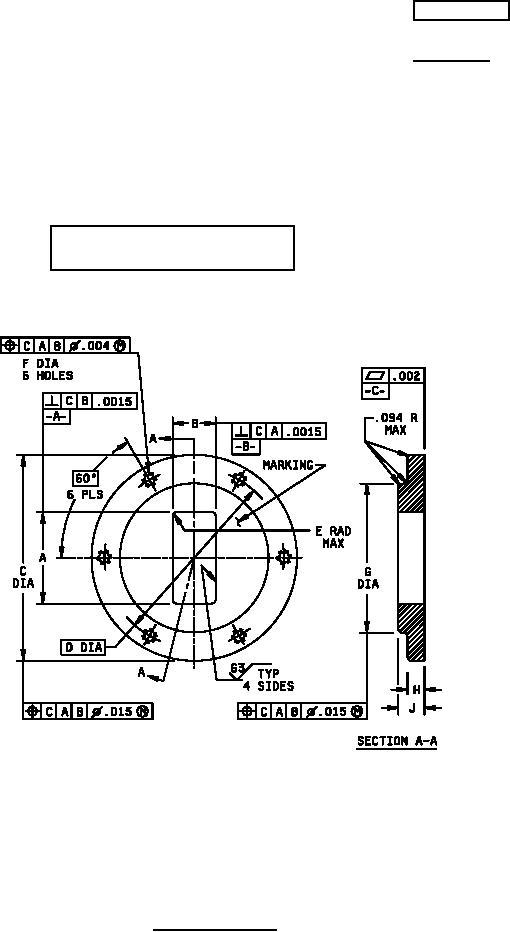
FLANGES, WAVEGUIDE (COVER)
(ROUND, 6 HOLE)
This specification is approved for use by all Departments
and Agencies of the Department of Defense.
INACTIVE FOR NEW DESIGN
AFTER 18 SEPTEMBER 1998
Requirements for acquiring the flanges described herein
shall consist of this document and MIL-DTL-3922.
Inches
mm
.0015
0.04
.002
0.05
.005
0.13
.015
0.38
.094
2.39
.250
6.35
NOTES:
1. Dimensions are in inches. Dimensions are in accordance with ASME-Y14.5M.
2. Millimeter equivalents (to the nearest 0.01 mm) are tabulated for general information only and are based
upon 1.00 inch = 25.4 mm.
3. Millimeters are in the table.
4. Roughness of mating surfaces shall not exceed 63 micro-inches in accordance with ASME-B46.1, except
that flaws shall be included in the roughness height measurement.
FIGURE 1. Flange configuration.
AMSC N/A
FSC 5985
For Parts Inquires submit RFQ to Parts Hangar, Inc.
© Copyright 2015 Integrated Publishing, Inc.
A Service Disabled Veteran Owned Small Business