
INCH-POUND
MIL-DTL-3922/53E
8 January 2010
SUPERSEDING
MIL-DTL-3922/53D
6 March 2000
DETAIL SPECIFICATION SHEET
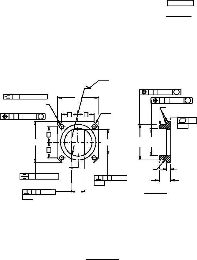
FLANGES, WAVEGUIDE (COVER)
(SQUARE, 4 HOLE) (CIRCULAR BACK)
This specification is approved for use by all Depart-
ments and Agencies of the Department of Defense.
The requirements for acquiring the flanges described herein shall
consist of this document and the latest issue of MIL-DTL-3922.
TYP
63
SIDES
4
C A Ø .015
M
B .015 TOTAL
C
C A Ø .015
M
F DIA.
Z RAD
4 HOLES
MAX.
BB
D
D
C A B Ø TOT
M
T
CHAMFER
.001
4 PLA
-C-
E
G
K
C
A
DIA.
DIA.
M RAD.
MAX.
E
H
A
SEE
MARKING
NOTE 4
A .015 TOTAL
C B TOL R
J
-A-
SECTION A-A
B
C A TOL R
-B-
NOTES:
1. Dimensions are in inches.
2. Metric equivalents (to the nearest 0.01 mm) are given for general information only and are
based upon 1.00 inch = 25.4 mm.
3. Metric equivalents are in parentheses.
4. These surfaces need to be parallel after drilling and reaming for Part or Identifying Numbers (PINs) M3922/53-005
and M3922/53-006 to facilitate the use of quick disconnect couplings.
5. Roughness of mating surfaces shall not exceed 63 microinches in accordance with ASME-B46.1, except
that flaws shall be included in the roughness height measurement.
FIGURE 1. Flange configuration.
AMSC N/A
FSC 5985