emilspec
An Integrated Publishing, Inc. Site
eMilSpec
An Integrated Publishing Website
MIL-DTL-39030-7 Dummy Loads, Electrical, Coaxial, Type Iii \(Bnc\), Low Power
Pages
1
-
2
-
3
-
4
-
5
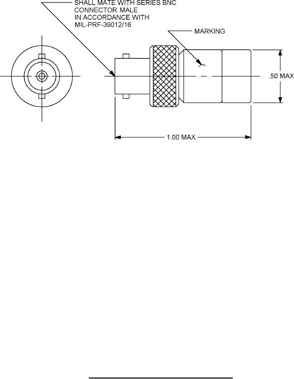
MIL-DTL-39030/7A
Inches
mm
.50
12.7
1.00
25.4
NOTES:
1. Dimensions are
in inches.
2. Metric equivalents are given for general information only.
FIGURE 3. Dimensions and configuration, PIN M39030/7-06.
3