
INCH-POUND
MIL-DTL-39030/22A
19 June 2013
SUPERSEDING
MIL-D-39030/22
22 December 1980
DETAIL SPECIFICATION SHEET
DUMMY LOAD, ELECTRICAL,
TYPE XIV (TAB CONTACT), STRIPLINE, HIGH POWER
This specification is approved for use by all Departments
and Agencies of the Department of Defense.
The requirements for acquiring the product described herein shall
consist of this specification sheet and MIL-DTL-39030.
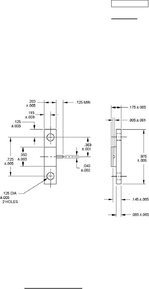
Inches
mm
.001
0.03
.002
0.05
.003
0.08
.005
0.13
.040
1.02
.085
2.16
.115
2.92
.125
3.18
.145
3.68
.175
4.44
.203
5.16
.350
8.89
.363
9.22
.725
18.42
.975
24.76
NOTES:
1. Dimensions are in inches.
2. Metric equivalents are given for information only.
FIGURE 1. Dimensions and configurations.
AMSC N/A
FSC 5985
For Parts Inquires submit RFQ to Parts Hangar, Inc.
© Copyright 2015 Integrated Publishing, Inc.
A Service Disabled Veteran Owned Small Business