
INCH-POUND
MIL-DTL-39030/16B
14 April 2003
SUPERSEDING
MIL-D-39030/16A
19 November 1985
DETAIL SPECIFICATION SHEET
DUMMY LOAD, ELECTRICAL,
TYPE XIV (BIFURCATED CONTACT), STRIPLINE, LOW POWER
This specification is approved for use by all Departments
and Agencies of the Department of Defense.
The requirements for acquiring the product described herein shall
consist of this specification and MIL-DTL-39030.
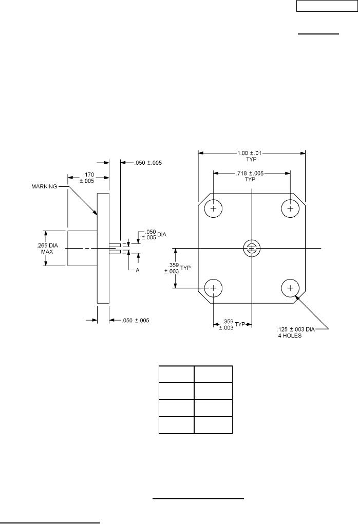
Inches
mm
0.05
.002
0.08
.003
0.13
.005
0.3
.01
Dash
A
0.33
.013
number
0.58
.023
01
.028
0.71
.028
±.002
04
1.27
.050
02
.013
3.18
.125
±.002
05
4.32
.170
03
.023
6.73
.265
±.002
06
9.12
.359
18.24
.718
25.4
1.00
NOTES:
1. Dimensions are in inches.
2. Metric equivalents are given for general information only.
FIGURE 1. Dimensions and configuration.
AMSC N/A
1 of 3
FSC 5985
DISTRIBUTION STATEMENT A. Approved for public release; distribution is unlimited.