
INCH-POUND
MIL-DTL-39030/14B
14 April 2003
SUPERSEDING
MIL-D-39030/14A
19 November 1985
DETAIL SPECIFICATION SHEET
DUMMY LOAD, ELECTRICAL,
TYPE XIV (BIFURCATED CONTACT), STRIPLINE, LOW POWER
This specification is approved for use by all Departments
and Agencies of the Department of Defense.
The requirements for acquiring the product described herein shall
consist of this specification and MIL-DTL-39030.
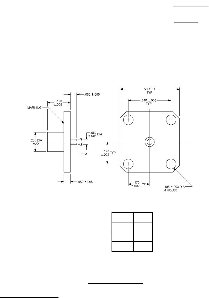
Inches
mm
.002
0.05
.003
0.08
.005
0.13
Dash
A
.01
0.3
number
.013
0.33
01
.028
.023
0.58
±.002
04
.028
0.71
02
.013
.050
1.27
±.002
05
.108
2.74
03
.023
.170
4.32
±.002
06
.265
6.73
.340
8.64
.50
12.7
NOTES:
1. Dimensions are in inches.
2. Metric equivalents are given for general information only.
FIGURE 1. Dimensions and configurations.
AMSC N/A
1 of 3
FSC 5985
DISTRIBUTION STATEMENT A. Approved for public release; distribution is unlimited.