
INCH-POUND
MIL-DTL-39030/13B
14 April 2003
SUPERSEDING
MIL-D-39030/13A
22 December 1980
DETAIL SPECIFICATION SHEET
DUMMY LOAD, ELECTRICAL,
TYPE XIV (SOCKET CONTACT), STRIPLINE, LOW POWER
This specification is approved for use by all Departments
and Agencies of the Department of Defense.
The requirements for acquiring the product described herein shall
consist of this specification and MIL-DTL-39030.
Inches
mm
Inches
mm
1.27
.050
0.05
.002
2.74
.108
0.08
.003
4.32
.170
0.10
.004
6.73
.265
0.127
.0050
8.1
.32
0.13
.005
8.6
.340
0.3
.01
12.7
.50
0.902
.0355
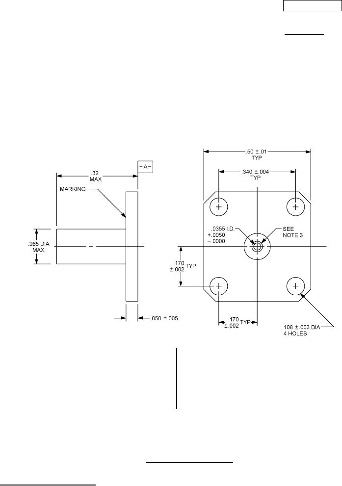
NOTES:
1. Dimensions are in inches.
2. Metric equivalents are given for general information only.
3. Socket contact is recessed .020 ± .003 from surface "A".
FIGURE 1. Dimensions and configuration.
AMSC N/A
1 of 3
FSC 5985
DISTRIBUTION STATEMENT A. Approved for public release; distribution is unlimited.