emilspec
An Integrated Publishing, Inc. Site
eMilSpec
An Integrated Publishing Website
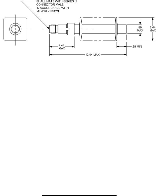
MIL-DTL-39030-11 Dummy Load, Electrical, Coaxial, Type V \(N\), High Power
Pages
1
-
2
-
3
-
4
-
5
MIL-DTL-39030/11A
Inches
mm
26.6
.89
62.0
2.44
62.7
2.47
328.7
12.94
NOTES:
1. Dimensions are
in inches.
2. Metric equivalents are given for general information only.
FIGUER 3. Dimensions and configuration, PIN M39030/11-04.
3