
INCH-POUND
MIL-DTL-25708/3E
1 October 2012
SUPERSEDING
MIL-DTL-25708/3D
28 May 2008
DETAIL SPECIFICATION SHEET
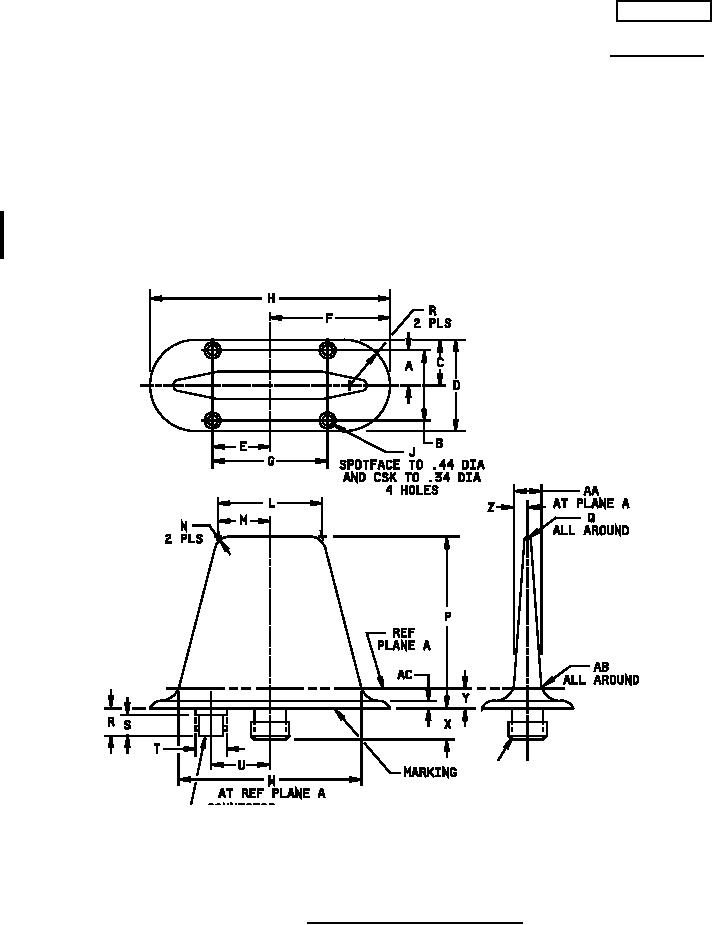
ANTENNA, BLADE, AS-2686/A (HN CONNECTOR)
This specification is approved for use by all Departments and
Agencies of the Department of Defense.
The requirements for acquiring the antenna described herein
shall consist of this specification sheet and MIL-DTL-25708.
CONNECTOR FEMALE
TYPE HN IAW
MIL-DTL-3643
OR EQUIV
CONNECTOR
FEMALE TYPE BNC
PER MIL-PRF-39012/21-0002
OR EQUIV
FIGURE 1. Outline drawing antenna AS-2686/A.
AMSC N/A
FSC 5985
For Parts Inquires submit RFQ to Parts Hangar, Inc.
© Copyright 2015 Integrated Publishing, Inc.
A Service Disabled Veteran Owned Small Business