emilspec
An Integrated Publishing, Inc. Site
eMilSpec
An Integrated Publishing Website
MIL-DTL-25708-1 Antenna, Blade, At-741B/B \(Hn Connector\)
Pages
1
-
2
-
3
-
4
-
5
-
6
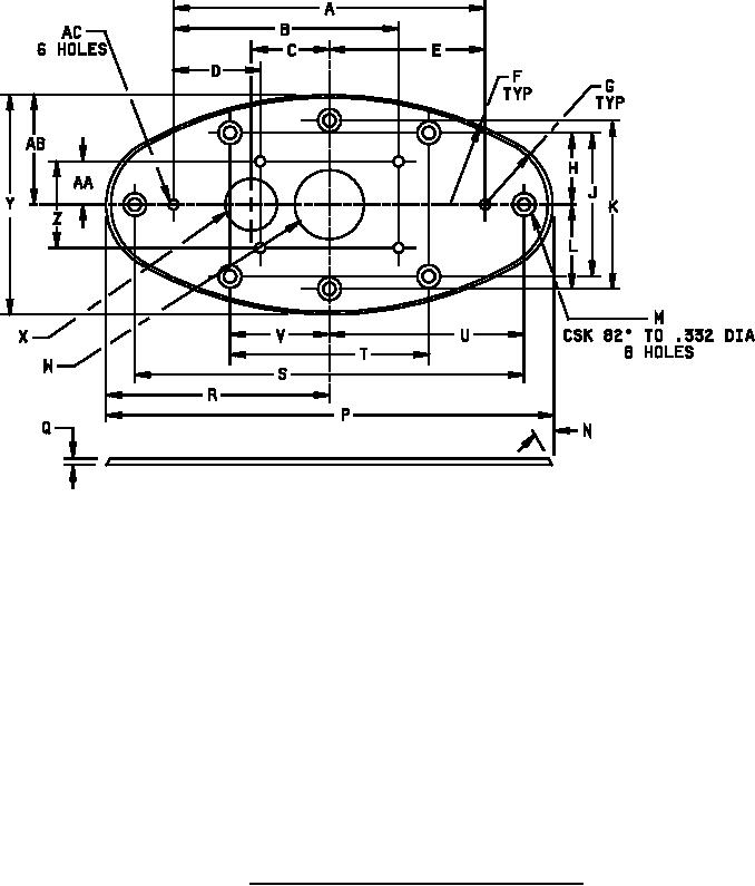
MIL-DTL-25708/1H
FIGURE
2. Adapter plate P/N M25708/1-02 and M25708/1-03.
3