
INCH-POUND
MIL-DTL-23971/6C
23 April 2013
SUPERSEDING
MIL-DTL-23971/6B
21 April 2003
DETAIL SPECIFICATION SHEET
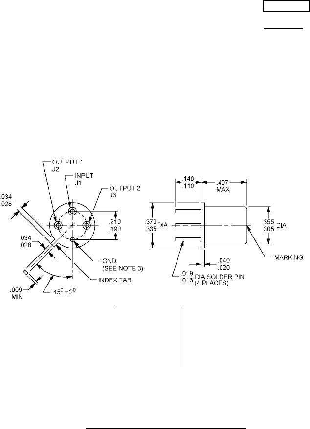
POWER DIVIDER/COMBINERS, N-WAY, 0 DEGREES, TO-5
This specification is approved for use by all Departments and
Agencies of the Department of Defense.
The requirements for acquiring the product described herein
shall consist of this specification sheet and MIL-DTL-23971.
Inches
mm
Inches
mm
Inches
mm
7.75
.305
1.02
.009
0.23
.040
8.51
.335
2.79
.016
0.41
.110
9.02
.355
3.56
.019
0.48
.140
9.40
.370
4.83
.020
0.51
.190
10.34
.407
5.33
.028
0.71
.210
.034
0.86
NOTES:
1. Dimensions are in inches.
2. Metric equivalents are given for general information only and are based upon 1.00 inch = 25.4 mm.
3. Pin is grounded to the internal circuit of the power divider by the manufacturer.
FIGURE 1. Dimensions and configuration, 2-way, dash number 01.
AMSC N/A
FSC 5985
For Parts Inquires submit RFQ to Parts Hangar, Inc.
© Copyright 2015 Integrated Publishing, Inc.
A Service Disabled Veteran Owned Small Business