
INCH-POUND
MIL-DTL-23971/3A
23 April 2002
SUPERSEDING
MIL-P-23971/3
2 December 1977
DETAIL SPECIFICATION SHEET
POWER DIVIDER, 4 PORT QUADRATURE,
PLUG-IN TERMINALS
This specification is approved for use by all Depart-
ments and Agencies of the Department of Defense.
The requirements for acquiring the power divider described herein
shall consist of this specification sheet and MIL-DTL-23971.
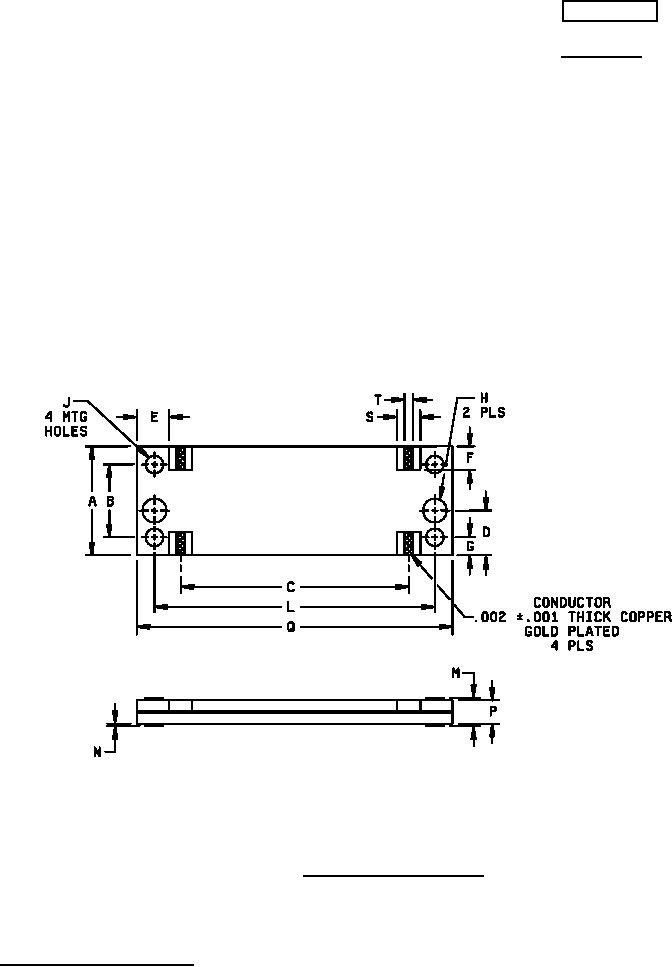
FIGURE 1. Dimensions and configuration.
AMSC N/A
1 of 3
FSC 5985
DISTRIBUTION STATEMENT A. Approved for public release; distribution is unlimited.