
MIL-DTL-23971/17B
Inches
mm
Inches
mm
.01
0.3
.48
12.2
.02
0.5
.56
14.2
.03
0.8
.75
19.0
.08
2.0
.85
21.6
.23
5.8
1.12
28.4
.25
6.4
1.24
31.5
.29
7.4
1.70
43.2
.40
10.2
NOTES:
1.
Dimensions are in inches.
2.
Metric equivalents are given for general information only.
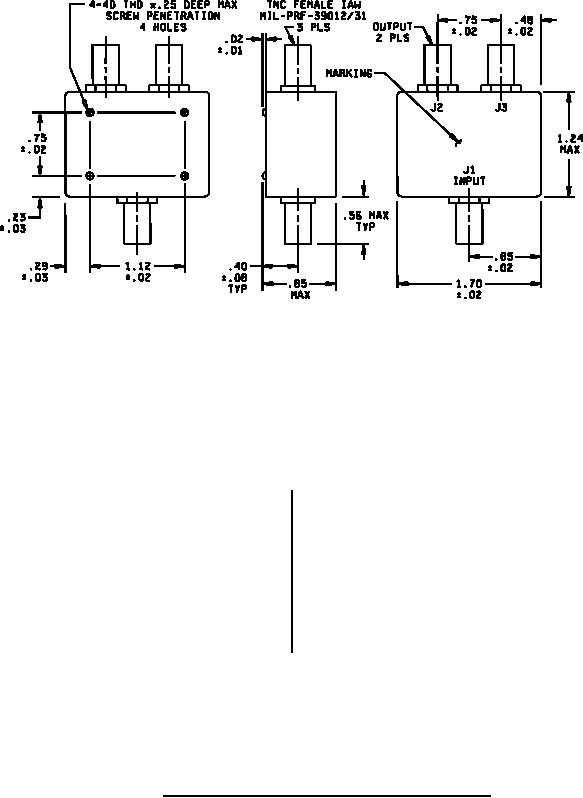
FIGURE 2. Dimensions and configuration, 2-way, dash number 02.
2
For Parts Inquires submit RFQ to Parts Hangar, Inc.
© Copyright 2015 Integrated Publishing, Inc.
A Service Disabled Veteran Owned Small Business