
INCH-POUND
MIL-DTL-23971/10A
23 April 2002
SUPERSEDING
MIL-P-23971/10
22 February 1980
DETAIL SPECIFICATION SHEET
POWER DIVIDER/COMBINERS, QUADRATURE, RECTANGULAR,
PC PINS
This specification is approved for use by all Depart-
ments and Agencies of the Department of Defense.
The requirements for acquiring the power divider described herein
shall consist of this specification sheet and MIL-DTL-23971.
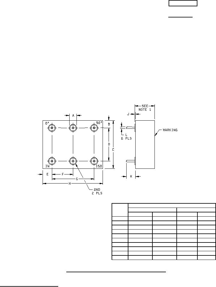
Dimensions
Inches
Millimeters
Max
Min
Max
Min
A
.165
.145
4.2
3.7
B
.19
.13
4.8
3.3
C
1.03
.97
26.2
24.6
D
.72
.66
18.3
16.8
NOTES:
E
.22
.16
5.6
4.1
1. Dash number 01: .465 (11.81 mm) maximum.
F
.47
.41
11.9
10.4
Dash number 02: .400 (10.16 mm) maximum.
G
.91
.85
23.1
21.6
2. Dimensions are in inches.
H
1.28
1.22
32.5
31.0
3. Metric equivalents are given for general
J
.125
.005
3.18
.13
information only.
K
.22
.16
5.6
4.1
FIGURE 1. Dimensions and configuration, dash number 01 and 02.
AMSC N/A
1 of 2
FSC 5985
DISTRIBUTION STATEMENT A. Approved for public release; distribution is unlimited.