
MIL-DTL-23971/1B
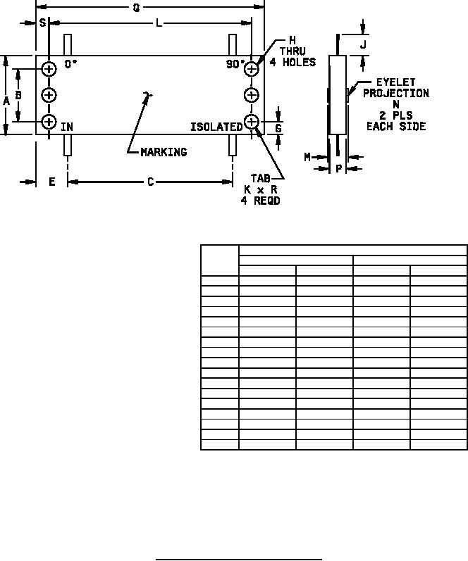
Dimensions
Inches
Millimeters
Max
Min
Max
Min
A
.58
.54
14.7
13.7
B
.385
.365
9.78
9.27
C
1.19
1.15
30.2
29.2
D
N/A
N/A
N/A
N/A
E
.24
.20
6.1
5.1
F
N/A
N/A
N/A
N/A
G
.11
.07
2.8
1.8
H
.105 dia
.093 dia
2.67 dia
2.36 dia
J
N/A
.15
N/A
N/A
K
.0505 wide
.0495 wide
1.28 wide
1.26 wide
L
1.447
1.427
36.75
36.25
M
.144
.124
3.66
3.15
N
.007
N/A
0.2
N/A
P
.120
N/A
.120
N/A
Q
1.64
1.60
41.7
40.6
R
.0055 Thk
.0045 Thk
.14 Thk
.11 Thk
S
.11
.07
2.8
1.8
NOTES:
1. Dimensions are in inches.
2. Metric equivalents are given for general information only.
3. Unless otherwise specified, tolerances are ±.010 (.25 mm) for three place decimals and ±.02 (.5 mm) for two
place decimals.
FIGURE 2. Dimensions and configuration, P/N 003.
3