emilspec
An Integrated Publishing, Inc. Site
eMilSpec
An Integrated Publishing Website
MIL-DTL-15370-5 Couplers, Directional \(Waveguide-Crossguide\)
Pages
1
-
2
-
3
-
4
-
5
-
6
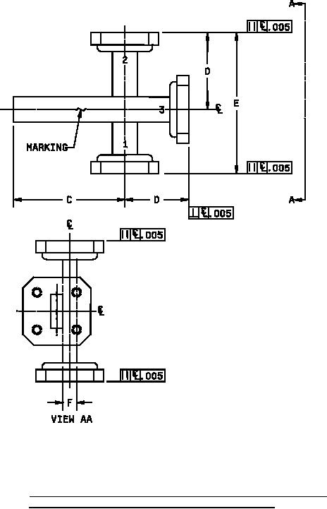
MIL-DTL-15370/5E
FIGURE
2. Dimensions and configuration for part numbers M15370/5-003 through
M15370/5-006, and M15370/5-008 through M15370/5-014.
2