
INCH-POUND
MIL-DTL-15370/4E
15 June 2011
SUPERSEDING
MIL-DTL-15370/4D
24 January 2002
DETAIL SPECIFICATION SHEET
COUPLERS, DIRECTIONAL (WAVEGUIDE-MULTIHOLE)
This specification is approved for use by all Departments
and Agencies of the Department of Defense.
The requirements for acquiring the couplers described
herein shall consist of this document and MIL-DTL-15370.
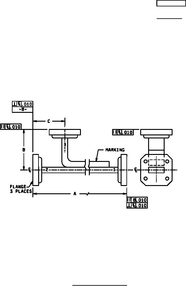
FIGURE 1. Dimensions and configuration.
AMSC N/A
FSC 5985