
MIL-DTL-15370/18C
Inches
mm
Inches
mm
.005
0.13
.188
4.77
.020
0.51
.200
5.08
.040
1.02
.400
10.83
.155
3.94
.500
12.70
.180
4.57
.780
19.81
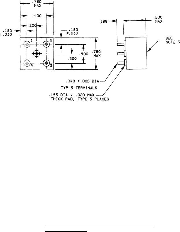
NOTES:
1. Dimensions are in inches.
2. Metric equivalents are given for information only.
3. Marking to include appropriate labeling of input, output and coupled port, above those respective pins.
4. Pin numbers are shown for reference - need not appear on the part.
5. Unless otherwise specified, tolerance is ±.020.
6. Termination for P/N M15370/18-010 and M15370/18-013:
Input - pin 5
Output - pin 4
Ground - pin 3
Coupled output - pin 2
Internal standoff - pin 1.
FIGURE 4. Dimensions and configuration for part numbers M15370/18-010
through M15370/18-013.
4
For Parts Inquires submit RFQ to Parts Hangar, Inc.
© Copyright 2015 Integrated Publishing, Inc.
A Service Disabled Veteran Owned Small Business