
INCH-POUND
MIL-A-22641/19A
28 January 2013
SUPERSEDING
MIL-A-22641/19
2 May 1972
MILITARY SPECIFICATION SHEET
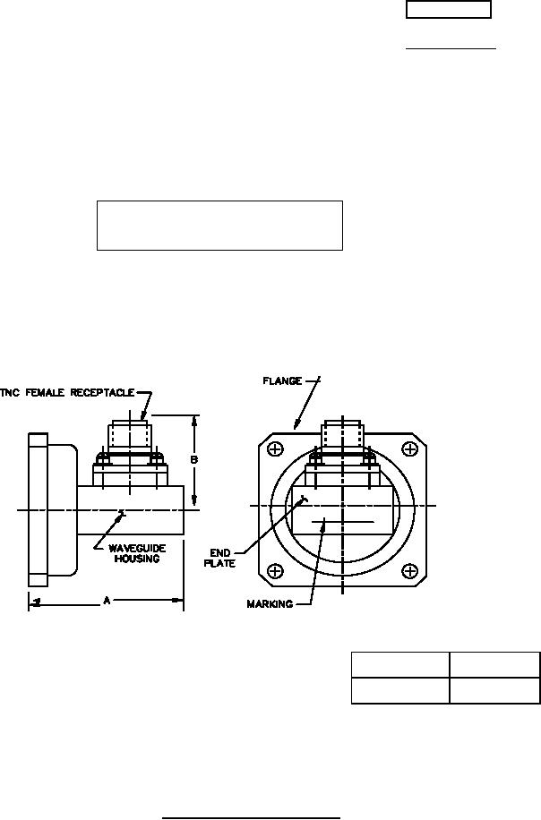
ADAPTERS, COAXIAL TO WAVEGUIDE
(TNC TO WAVEGUIDE - CLASS 4)
INACTIVE FOR NEW DESIGN
AFTER 8 MAY 1998
This specification is approved for use by all Departments
and Agencies of the Department of Defense.
The requirements for acquiring the antenna described herein
shall consist of this specification sheet and MIL-DTL-22641.
A
B
Maximum
Maximum
1.093
1.50
(27.76)
(38.10mm)
NOTES:
1. Dimensions are in inches.
2. Metric equivalents (to the nearest .01mm) are given for general information only and are
based upon 1.00 inch = 25.4 mm.
FIGURE 1. Dimensions and configuration.
AMSC N/A
FSC 5985
For Parts Inquires submit RFQ to Parts Hangar, Inc.
© Copyright 2015 Integrated Publishing, Inc.
A Service Disabled Veteran Owned Small Business