emilspec
An Integrated Publishing, Inc. Site
eMilSpec
An Integrated Publishing Website
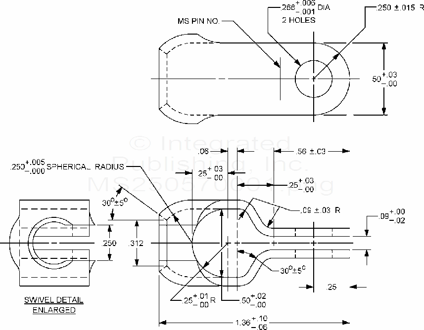
MS25057 Takeup, Antenna
For Parts Inquires submit RFQ to
Parts Hangar, Inc.
© Copyright 2015 Integrated Publishing, Inc.
A Service Disabled Veteran Owned Small Business